EPF2410-3-TB-12-3.4-R4-R
| Availability: | |
|---|---|
| Quantity: | |
24mmx10mm Piezo external-driver transducer 6V 12V 24V 3400hz 2410 2401 alarm annunciator feedback piezo transducer & buzzer high quality alarm buzzer,alarm for household electrical appliances - Changzhou Esuntech Co Ltd.
| Model | EPF2410-3-TB-12-3.4-R4-R |
| Rated Voltage (VDC) | 12 |
| Operating Voltage (VDC) | 3~28 |
| *Rated Current (mA) | ≤12 |
| *Sound Output at 10 cm (dB) | ≥90 |
| *Resonant Frequency (Hz) | 3400±500 |
| Operating Temperature (℃) | -20 ~ +65 |
| Storage Temperature (℃) | -30 ~ +75 |
| Weight (g) | 3.3 |
| Case material and colour | PBT/White |
| RoHS | Yes |
Changzhou Esuntech Co.,Ltd. is a commitment to high-quality locates in Jiangsu near Shanghai which is convenient for goods transportation and customer visiting. And we have Electromax Co as the agent in Seoul Korea. Main Poducts: Buzzer: piezoelectric (piezo) vibration element, piezoelectric buzzer, magnetic buzzer, SMD buzzer Speaker: piezo tweeter, mylar speaker, loudspeaker, tweeter speaker, TV speaker, car speaker, multimedia speaker, woofer, sub-woofer, waterproof speaker etc Ultrasonic sensor: for car parking system or distance tester.
We have excellent engineer (including Korea engineer)and we are focus on product innovation , Management innovation.The quality of product was recognized by customer from all over the world.Our products are sold more than twenty countries and regions around the world.our products are widely recognized by them.And we have long-team relationship with the client.
USA, Korea, Brazil, Canada, Russia, Turkey, Spain, Germany and so on.
Inspection and quality control
Packgage,Warehouse & Delivery
· Medical
· Smart home
· Security
· consumer electronics,
· household electronics
· industrial applications
•Piezo or eletro magnet
•Internally or external driven
•Terminals
○ Pins (red copper with tin plating)
○ Panel mount with lead wires
○ Screw terminals (brass with nickel plating)
Piezoelectric Sounders / Buzzers are sound components prepared by incorporating a piezoelectric vibration plate in a plastic case (resonator). Conventional rated voltages are 3V, 5V, 12V, 24V.
Piezoelectric sounders are sound components which generate sound suitable for use as input signals (including multi-tone, melody and so on) without built-in oscillation circuits.
This characteristic allows them to be used in a wide range of applications. They come as the SMD type, which is optimal for small, high-density mounting, and the pin type which can be used for general purposes.
Piezoelectric buzzers are sound components which generate a monotone using a built-in oscillation circuit.
These products are optimized for operation confirmation sounds and warning sounds in household appliances such as air conditioners, washers and refrigerators.
A larger size is capable of generating higher sound pressure (louder sound).
Smaller size,low current consumption, sound press level around 75dB - 85dB.
Optimized for small devices such as blood glucose meters, clinical thermometers, photoflashes for cameras, and portable terminals.
The electromagnetic buzzer is composed of an oscillator, an electromagnetic coil, a magnet, a vibrating diaphragm and a shell. After the power is turned on, the audio signal current generated by the oscillator passes through the electromagnetic coil, causing the electromagnetic coil to generate a magnetic field. The vibrating diaphragm periodically vibrates and produces sound under the interaction of the electromagnetic coil and the magnet. The electromagnetic transducer has the same working principle as the electromagnetic buzzer, but one less oscillating circuit.
The mechanical buzzer:
The mechanical buzzer uses a magnet to move a reed up and down quickly to emit a lower-pitch buzz. The sound pressure is lower than that of a piezoelectric buzzer. The usual working voltage is 1.2V 3V 6V 9V 12V 24V and the working frequency is 400 Hz. Widely used in doorbells and solar mouse repellers.
1. Free samples.
2.Products can be customized according to customer needs, and we have a strong R&D team.
3.The delivery time is stable. We have nearly 200 employees and a factory building of more than 10,000 square meters.
4.We promise that the quality of all products is equivalent to samples. A complete process system and quality inspection system can ensure fewer after-sales problems and reliable product quality.
First of all, we need to know whether we need piezoelectric sounders or piezoelectric buzzers. This is very simple. If the driving voltage is DC, choose piezoelectric buzzer, and if the driving voltage is AC, choose piezoelectric sounders.
Secondly, we need to know their rated voltage, resonant frequency, SPL... The most important thing is the product size you need. With these parameters, our sales can recommend products that meet your requirements.
Of course it is necessary. When installing the buzzer / sounders with the + sign, be sure to connect the positive pole. If it is not installed in accordance with the signs, the buzzer may be directly damaged or the sound emitted may not meet the requirements.
All Sound Components (Piezoelectric / Electromagnetic Sounders, Piezoelectric Diaphragms, Piezoelectric / Electromagnetic Buzzers) on our Website are compliant with RoHS directive.
Please contact us when you need the latest lead time information because it will be changed depend on the market condition.
Please confirm with the sales before placing the order. If there are raw materials in stock, 1,000 pieces of a single variety are acceptable.
Of course, we can provide 5 free samples, and the sample delivery time is 7-10 days.
① The products must not be washed.
② Storage Condition:
The products should be stored in the room,where the temperature/humidity is stable.
And avoid such places where there are large temperature changes.
Please store the products at the following conditions:
Temperature:-10 to +40℃ Humidity: 15 to 85% R.H.
③ Expire Date on Storage:
Expire date (shelf life) of the products is six months after delivered under the conditions of a sealed and an unopened package.
Please use the products with six months after delivered.
④ Notice on product Storage:
Please use the products immediately after the package is opened, because the characteristics may be reduced at quality.
24mmx10mm Piezo external-driver transducer 6V 12V 24V 3400hz 2410 2401 alarm annunciator feedback piezo transducer & buzzer high quality alarm buzzer,alarm for household electrical appliances - Changzhou Esuntech Co Ltd.
| Model | EPF2410-3-TB-12-3.4-R4-R |
| Rated Voltage (VDC) | 12 |
| Operating Voltage (VDC) | 3~28 |
| *Rated Current (mA) | ≤12 |
| *Sound Output at 10 cm (dB) | ≥90 |
| *Resonant Frequency (Hz) | 3400±500 |
| Operating Temperature (℃) | -20 ~ +65 |
| Storage Temperature (℃) | -30 ~ +75 |
| Weight (g) | 3.3 |
| Case material and colour | PBT/White |
| RoHS | Yes |
Changzhou Esuntech Co.,Ltd. is a commitment to high-quality locates in Jiangsu near Shanghai which is convenient for goods transportation and customer visiting. And we have Electromax Co as the agent in Seoul Korea. Main Poducts: Buzzer: piezoelectric (piezo) vibration element, piezoelectric buzzer, magnetic buzzer, SMD buzzer Speaker: piezo tweeter, mylar speaker, loudspeaker, tweeter speaker, TV speaker, car speaker, multimedia speaker, woofer, sub-woofer, waterproof speaker etc Ultrasonic sensor: for car parking system or distance tester.
We have excellent engineer (including Korea engineer)and we are focus on product innovation , Management innovation.The quality of product was recognized by customer from all over the world.Our products are sold more than twenty countries and regions around the world.our products are widely recognized by them.And we have long-team relationship with the client.
USA, Korea, Brazil, Canada, Russia, Turkey, Spain, Germany and so on.
Inspection and quality control
Packgage,Warehouse & Delivery
· Medical
· Smart home
· Security
· consumer electronics,
· household electronics
· industrial applications
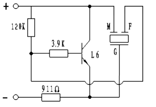
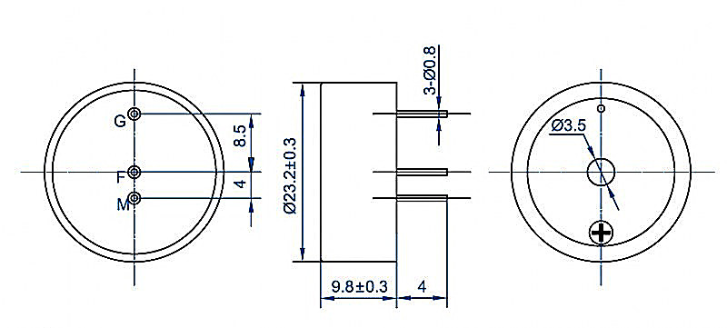
•Piezo or eletro magnet
•Internally or external driven
•Terminals
○ Pins (red copper with tin plating)
○ Panel mount with lead wires
○ Screw terminals (brass with nickel plating)
Piezoelectric Sounders / Buzzers are sound components prepared by incorporating a piezoelectric vibration plate in a plastic case (resonator). Conventional rated voltages are 3V, 5V, 12V, 24V.
Piezoelectric sounders are sound components which generate sound suitable for use as input signals (including multi-tone, melody and so on) without built-in oscillation circuits.
This characteristic allows them to be used in a wide range of applications. They come as the SMD type, which is optimal for small, high-density mounting, and the pin type which can be used for general purposes.
Piezoelectric buzzers are sound components which generate a monotone using a built-in oscillation circuit.
These products are optimized for operation confirmation sounds and warning sounds in household appliances such as air conditioners, washers and refrigerators.
A larger size is capable of generating higher sound pressure (louder sound).
Smaller size,low current consumption, sound press level around 75dB - 85dB.
Optimized for small devices such as blood glucose meters, clinical thermometers, photoflashes for cameras, and portable terminals.
The electromagnetic buzzer is composed of an oscillator, an electromagnetic coil, a magnet, a vibrating diaphragm and a shell. After the power is turned on, the audio signal current generated by the oscillator passes through the electromagnetic coil, causing the electromagnetic coil to generate a magnetic field. The vibrating diaphragm periodically vibrates and produces sound under the interaction of the electromagnetic coil and the magnet. The electromagnetic transducer has the same working principle as the electromagnetic buzzer, but one less oscillating circuit.
The mechanical buzzer:
The mechanical buzzer uses a magnet to move a reed up and down quickly to emit a lower-pitch buzz. The sound pressure is lower than that of a piezoelectric buzzer. The usual working voltage is 1.2V 3V 6V 9V 12V 24V and the working frequency is 400 Hz. Widely used in doorbells and solar mouse repellers.
1. Free samples.
2.Products can be customized according to customer needs, and we have a strong R&D team.
3.The delivery time is stable. We have nearly 200 employees and a factory building of more than 10,000 square meters.
4.We promise that the quality of all products is equivalent to samples. A complete process system and quality inspection system can ensure fewer after-sales problems and reliable product quality.
First of all, we need to know whether we need piezoelectric sounders or piezoelectric buzzers. This is very simple. If the driving voltage is DC, choose piezoelectric buzzer, and if the driving voltage is AC, choose piezoelectric sounders.
Secondly, we need to know their rated voltage, resonant frequency, SPL... The most important thing is the product size you need. With these parameters, our sales can recommend products that meet your requirements.
Of course it is necessary. When installing the buzzer / sounders with the + sign, be sure to connect the positive pole. If it is not installed in accordance with the signs, the buzzer may be directly damaged or the sound emitted may not meet the requirements.
All Sound Components (Piezoelectric / Electromagnetic Sounders, Piezoelectric Diaphragms, Piezoelectric / Electromagnetic Buzzers) on our Website are compliant with RoHS directive.
Please contact us when you need the latest lead time information because it will be changed depend on the market condition.
Please confirm with the sales before placing the order. If there are raw materials in stock, 1,000 pieces of a single variety are acceptable.
Of course, we can provide 5 free samples, and the sample delivery time is 7-10 days.
① The products must not be washed.
② Storage Condition:
The products should be stored in the room,where the temperature/humidity is stable.
And avoid such places where there are large temperature changes.
Please store the products at the following conditions:
Temperature:-10 to +40℃ Humidity: 15 to 85% R.H.
③ Expire Date on Storage:
Expire date (shelf life) of the products is six months after delivered under the conditions of a sealed and an unopened package.
Please use the products with six months after delivered.
④ Notice on product Storage:
Please use the products immediately after the package is opened, because the characteristics may be reduced at quality.